Профиль PLINTUS-FANTOM-H20-2000 ANOD (Arlight, Алюминий) 048685 в Рязани
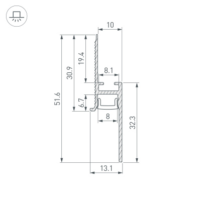
Встраиваемый профиль из анодированного алюминия для светодиодных лент и линеек под строительную отделку для создания эффекта парящей стены. Не является плинтусом, используется как декоративная накладка на фальш-стены. Габаритные размеры профиля составляют 2000 мм в длину, 13,2 мм в ширину и 51,9 мм в высоту. Площадка для установки светодиодных лент позволяет использовать ленту шириной до 8 мм и мощностью до 22 Вт/м. Это обеспечивает гибкость в выборе светодиодных лент и создает потрясающие световые решения. Экран, заглушки и другие аксессуары не включены в комплект и приобретаются отдельно. Для данной модели профиля представлено два вида экрана: силиконовый экран W10-5000 SILICONE 043661 (совместим с заглушками PLINTUS-FANTOM-BENT 043898 и 043664) и пластиковый экран W10-2000 OPAL 043606 (совместим с заглушками PLINTUS-FANTOM 043607 и 043906). Цена указана за 1 метр профиля. Отличное решение для создания современных световых проектов.
Алюминиевый анодированный профиль для светодиодных лент и линеек. Габаритные размеры (L×W×H): 2000x13,1x51,6 мм. Ширина площадки для ленты 8 мм. Аксессуары приобретаются отдельно. Цена за метр.
048685 Arlight Профиль Встраиваемый со скрытым фланцем Прямоугольный Серебристый в Рязани
Вы можете заказать Профиль Arlight с доставкой или самовывозом в Рязани
просто достаточно позвонить менеджеру и сообщить артикул товара: 048685 или оформить заказ на сайте Arlight Shop Рязань
Характеристики
|
Объем м3
|
0.00304 |
|
Гарантия м.
|
36 |
|
Материал корпуса
|
Алюминий |
|
Способ монтажа
|
Встраиваемый со скрытым фланцем |
|
Назначение
|
Для плинтуса |
|
Форма (сечение)
|
Прямоугольный |
|
Цвет покрытия
|
Серебристый |
|
Тип товара
|
Профиль |
|
Гарантийный срок
|
3 год(а) |
|
Модельный ряд
|
ARH-PLINTUS |
|
КПД профиля (cветовой)
|
73 % |
|
Рассеиваемая тепловая мощность на 1м
|
max: 22 W |
|
Ширина световой линии
|
8 мм |
|
Внешний вид поверхности
|
Матовая |
|
Покрытие поверхности
|
Анодирование |
|
Длина
|
2000 мм |
|
Ширина
|
13.1 мм |
|
Высота
|
51.6 мм |
|
Ширина площадки
|
8 мм |
|
Глубина установки источника света
|
6.7 мм |
|
Кратность цены за 1 м/шт
|
1 |
|
Мощность (прайс)
|
22 Вт |




